Приборный соединитель
Список продуктов
Данный раздел/документ содержится в продуктах:
Данный раздел/документ содержится в продуктах:
- Техэксперт: Охрана труда
- Техэксперт: Нормы, правила, стандарты и законодательство России
- Техэксперт: Нефтегазовый комплекс
- Техэксперт: Машиностроительный комплекс
- Техэксперт: Электроэнергетика
- Техэксперт: Теплоэнергетика
- Стройэксперт. "Вариант Лидер"
- Техэксперт: Эксплуатация зданий
- Стройтехнолог
ПРИБОРНЫЙ СОЕДИНИТЕЛЬ
(APPLIANCE COUPLER)
Устройство, обеспечивающее соединение гибкого шнура с электрическим изделием без применения ИНСТРУМЕНТА и состоящее из двух частей: ПРИБОРНОЙ РОЗЕТКИ и ПРИБОРНОЙ ВИЛКИ.
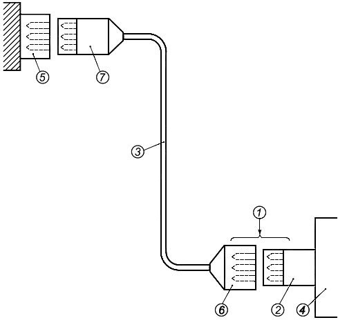
Примечание - См. рисунок 1.

1 - ПРИБОРНЫЙ СОЕДИНИТЕЛЬ; 2 - ПРИБОРНАЯ ВИЛКА; 3 - СЪЕМНЫЙ ШНУР ПИТАНИЯ; 4 - ME ИЗДЕЛИЕ; 5 - стационарная сетевая розетка/МНОГОРОЗЕТОЧНЫЙ СЕТЕВОЙ СОЕДИНИТЕЛЬ (MSO); 6 - ПРИБОРНАЯ РОЗЕТКА; 7 - СЕТЕВАЯ ВИЛКА
Рисунок 1 - Съемный шнур сетевого питания (см. Определения)



