Вентиляция фильтра
Данный раздел/документ содержится в продуктах:
- Техэксперт: Нормы, правила, стандарты и законодательство России
- Техэксперт: Нефтегазовый комплекс
- Техэксперт: Машиностроительный комплекс
ВЕНТИЛЯЦИЯ ФИЛЬТРА
(filter ventilation)
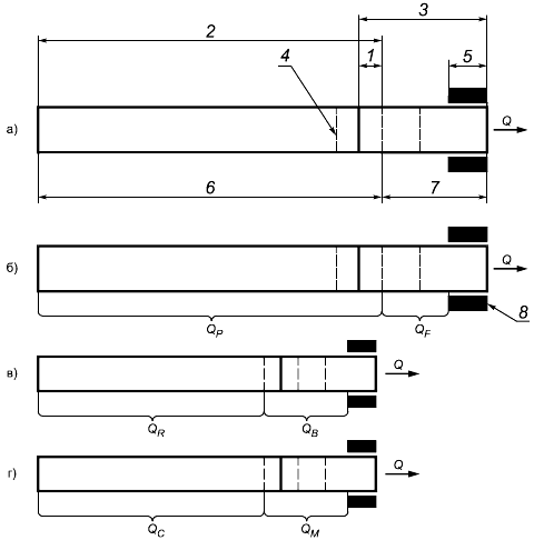
Воздух, поступающий в сигарету через ободковую бумагу между вставленной в держатель частью мундштучного конца сигареты и началом сигаретного штранга [см. рисунок 1 б)].
1 - перекрывание ободковой бумагой отрезка сигаретного штранга; 2 - сигаретная бумага; 3 - ободковая бумага; 4 - отметка длины окурка; 5 - стандартная глубина вставки сигареты ГОСТ ISO 3308; 6 - сигаретный штранг; 7 - фильтр; 8 - устройство для вставки сигарет (держатель для сигарет); - общий поток воздуха;
- вентиляционный поток фильтра;
- вентиляционный поток сигаретного штранга;
- вентиляционный поток окурка;
- вентиляционный поток сжигаемой части сигаретного штранга;
- вентиляционный поток ободковой бумаги;
- вентиляционный поток сигаретной бумаги.
Рисунок 1 - Различные составляющие вентиляции



