0 продуктов

Авторизация

Степень вентиляции

Список продуктов
Данный раздел/документ содержится в продуктах:


СТЕПЕНЬ ВЕНТИЛЯЦИИ

(degree of ventilation)

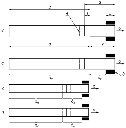
Отношение вентиляционного потока воздуха к общему потоку воздуха, выраженное в процентах [см. рисунки 1 б) - г)].


1 - перекрывание ободковой бумагой отрезка сигаретного штранга; 2 - сигаретная бумага; 3 - ободковая бумага; 4 - отметка длины окурка; 5 - стандартная глубина вставки сигареты ГОСТ ISO 3308; 6 - сигаретный штранг; 7 - фильтр; 8 - устройство для вставки сигарет (держатель для сигарет); - общий поток воздуха; - вентиляционный поток фильтра; - вентиляционный поток сигаретного штранга; - вентиляционный поток окурка; - вентиляционный поток сжигаемой части сигаретного штранга; - вентиляционный поток ободковой бумаги; - вентиляционный поток сигаретной бумаги.

Рисунок 1 - Различные составляющие вентиляции

Категории продуктов

 

 

 

Знакомьтесь, "Техэксперт"

 Техэксперт для iPad

 Для Android

АКЦИЯ!

Бесплатный доступ