0 продуктов

Авторизация

Высота реборды

Список продуктов
Данный раздел/документ содержится в продуктах:


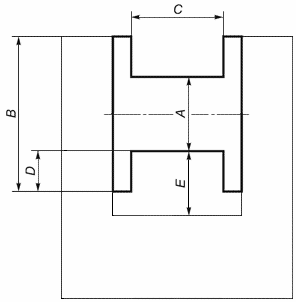
ВЫСОТА РЕБОРДЫ

(Epth of flanges) :

Радиальное расстояние от диаметра реборды барабана до диаметра цилиндра барабана (см. рисунок 1).





Рисунок 1

"ГОСТ Р 54454-2011 (ИСО 19472:2006) Машины для леса. Лебедки. Определения, технические требования, требования безопасности" от 28.09.2011 г.

Категории продуктов

 

 

 

Знакомьтесь, "Техэксперт"

 Техэксперт для iPad

 Для Android

АКЦИЯ!

Бесплатный доступ