0 продуктов

Авторизация

Расстояние между ребордами

Список продуктов
Данный раздел/документ содержится в продуктах:


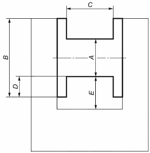
РАССТОЯНИЕ МЕЖДУ РЕБОРДАМИ

(distance between flanges) :

Расстояние между ребордами барабана, измеренное между точками на ребордах, расположенными на расстоянии от цилиндра барабана, равном половине разности между высотой реборды и расстоянием, свободным от каната (см. рисунок 1).



Рисунок 1

"ГОСТ Р 54454-2011 (ИСО 19472:2006) Машины для леса. Лебедки. Определения, технические требования, требования безопасности" от 28.09.2011 г.

Категории продуктов

 

 

 

Знакомьтесь, "Техэксперт"

 Техэксперт для iPad

 Для Android

АКЦИЯ!

Бесплатный доступ