Диаметр реборды
Список продуктов
Данный раздел/документ содержится в продуктах:
Данный раздел/документ содержится в продуктах:
- Техэксперт: Охрана труда
- Техэксперт: Промышленная безопасность
- Техэксперт: Нормы, правила, стандарты и законодательство России
- Техэксперт: Нефтегазовый комплекс
- Техэксперт: Машиностроительный комплекс
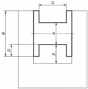
ДИАМЕТР РЕБОРДЫ
(flange diameter) :
Диаметр реборды барабана (см. рисунок 1).

Рисунок 1



