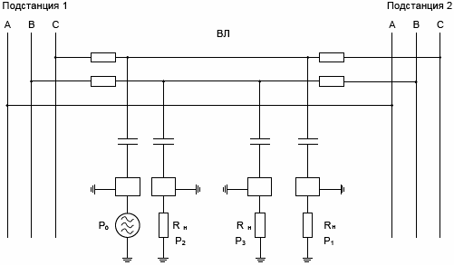
Переходное затухание на дальнем конце линии
Список продуктов
Данный раздел/документ содержится в продуктах:
Данный раздел/документ содержится в продуктах:
- Техэксперт: Нормы, правила, стандарты и законодательство России
- Техэксперт: Нефтегазовый комплекс
- Техэксперт: Машиностроительный комплекс
- Техэксперт: Электроэнергетика
- Техэксперт: Теплоэнергетика
- Стройэксперт. "Вариант Лидер"
- Техэксперт: Эксплуатация зданий
- Стройтехнолог
ПЕРЕХОДНОЕ ЗАТУХАНИЕ НА ДАЛЬНЕМ КОНЦЕ ЛИНИИ
()
Переходное затухание между ВЧ трактами, организованными по одной и той же ВЛ (рис.0.2), определяемое как (обозначения см. рис.0.2):
;




