Ямки
Список продуктов
Данный раздел/документ содержится в продуктах:
Данный раздел/документ содержится в продуктах:
- Техэксперт: Нормы, правила, стандарты и законодательство России
- Техэксперт: Нефтегазовый комплекс
- Техэксперт: Машиностроительный комплекс
- Техэксперт: Электроэнергетика
- Техэксперт: Теплоэнергетика
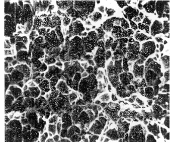
ЯМКИ
Микроуглубления на поверхности разрушения, представляющие собой вскрытые поверхности микропустот, образующихся в процессе пластического течения металла (черт.6 а, б).
а - ПЭM, 2700

б - РЭМ, 3000

Черт.6а, б



