0 продуктов

Авторизация

Схематический глаз

Список продуктов
Данный раздел/документ содержится в продуктах:


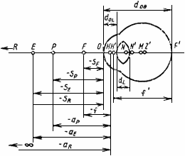
СХЕМАТИЧЕСКИЙ ГЛАЗ

Модель эмметропического глаза человека как оптического прибора, параметры элементов которой соответствуют средним значениям величин реального глаза.

Примечание. Схематический глаз приведен на черт.3





,  - передняя, задняя главные точки;

,  - передняя, задняя узловые точки;

Категории продуктов

 

 

 

Знакомьтесь, "Техэксперт"

 Техэксперт для iPad

 Для Android

АКЦИЯ!

Бесплатный доступ