0 продуктов

Авторизация

Защитное отключение тока утечки

Список продуктов
Данный раздел/документ содержится в продуктах:


ЗАЩИТНОЕ ОТКЛЮЧЕНИЕ ТОКА УТЕЧКИ

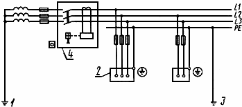
Мероприятие для защиты от поражения электрическим током при прикосновении к нетоковедущим частям, находящимся под напряжением в результате повреждения изоляции. Принцип его действия основан на немедленном отключении поврежденной цепи при помощи выключателя тока утечки (см. черт.4) или аппарата, включаемого выключателем тока утечки с отдельно расположенным трансформатором суммарного тока, когда ток утечки достигает тока срабатывания выключателя тока утечки. С этой целью корпус через защитный проводник соединяют с соответствующим заземлителем (см. черт.4).

Схема отключения тока утечки в трехфазной сети (сети ТТ)





1 - рабочее (функциональное) заземление; 2 - корпус; 3 - защитный заземлитель; 4 - выключатель тока утечки

Категории продуктов

 

 

 

Знакомьтесь, "Техэксперт"

 Техэксперт для iPad

 Для Android

АКЦИЯ!

Бесплатный доступ