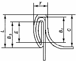
Толщина закаточного шва
Список продуктов
Данный раздел/документ содержится в продуктах:
Данный раздел/документ содержится в продуктах:
- Техэксперт: Нормы, правила, стандарты и законодательство России
- Техэксперт: Нефтегазовый комплекс
- Техэксперт: Машиностроительный комплекс
ТОЛЩИНА ЗАКАТОЧНОГО ШВА
D.
Е. Seam thickness
F. du serti
Размер в поперечном сечении закаточного шва, определяемый как расстояние от борта крышки до наиболее удаленной точки основания ее крючка




