Индивидуальная установка колодок выводов для плавких предохранителей
Список продуктов
Данный раздел/документ содержится в продуктах:
Данный раздел/документ содержится в продуктах:
- Техэксперт: Охрана труда
- Техэксперт: Промышленная безопасность
- Техэксперт: Пожарная безопасность
- Техэксперт: Нормы, правила, стандарты и законодательство России
- Техэксперт: Нефтегазовый комплекс
- Техэксперт: Машиностроительный комплекс
- Техэксперт: Электроэнергетика
- Техэксперт: Теплоэнергетика
- Стройэксперт. "Вариант Лидер"
- Техэксперт: Эксплуатация зданий
- Стройтехнолог
ИНДИВИДУАЛЬНАЯ УСТАНОВКА КОЛОДОК ВЫВОДОВ ДЛЯ ПЛАВКИХ ПРЕДОХРАНИТЕЛЕЙ
(separate arrangement of fuse terminal block)
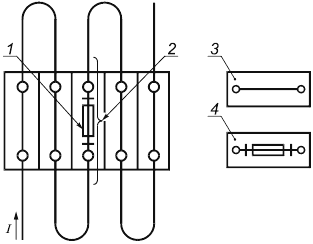
Установка однополюсных колодок выводов для плавких предохранителей между клеммными колодками (без дополнительных функций) (см. рисунок 2).
1 - эквивалент плавкой вставки; 2 - место измерения температуры; 3 - закороченная на проход колодка; 4 - колодка с эквивалентом плавкой вставки
Рисунок 2 - Схема испытательного устройства при индивидуальной установке колодки
Примечание - Монтаж колодок выводов для плавких вставок рядом друг с другом с зазором, обеспечивающим исключение взаимного теплового воздействия, считают раздельной установкой.



