
Вы нашли документ, содержащийся в электронной базе документов - "ТЕХЭКСПЕРТ"!
Краны консольные с ручным поворотом консоли Г/П 0,5; 1 И 2Т
Данный раздел/документ содержится в продуктах:
Краны консольные с ручным поворотом консоли Г/П 0,5; 1 И 2Т
Все параметры кранов уточняются при заказе.
-- Режим работы А3 ИСО 4301. Рабочее напряжение 380 В. Краны отработаны, надёжны и предназначены (если не оговорено особо) для эксплуатации в помещении или на открытом воздухе при температуре от -40 до +40(0)С. Краны изготавливаются, как правило, в климатическом исполнении У, а другие исполнения должны быть оговорены при заказе. Сейсмичность района установки - до 6 баллов по СниП II-7-81.
-- Базовое исполнение кранов - общепромышленное.
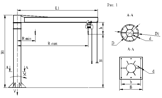
Размеры и другие параметры даны на рис. 1 и в табл. 1
Таблица 1
Скачать документ нельзя - можно заказать Бесплатно! 1 документ
Документ будет отправлен на указанный Вами e-mail в течение 3 рабочих дней*
Часы работы: с Пн по Пт с 8:30 до 17:30 по московскому времени.
или
Посмотреть возможности крупнейшей электронной библиотеки "Техэксперт" - более 8 000 000 документов!



