Мотор-редуктор
Список продуктов
Данный раздел/документ содержится в продуктах:
Данный раздел/документ содержится в продуктах:
- Техэксперт: Нормы, правила, стандарты и законодательство России
- Техэксперт: Нефтегазовый комплекс
- Техэксперт: Машиностроительный комплекс
- Техэксперт: Электроэнергетика
- Техэксперт: Теплоэнергетика
- Стройэксперт. "Вариант Лидер"
- Техэксперт: Эксплуатация зданий
- Стройтехнолог
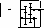
МОТОР-РЕДУКТОР
Самостоятельное изделие, состоящее из редуктора и двигателя, соединенных промежуточной муфтой или без нее (см. черт.)
МОТОР-РЕДУКТОР
(geared motor)
Двигатель, напрямую соединенный с редуктором (входной элемент редуктора установлен непосредственно на валу двигателя).



