Высота подкранового пути грузоподъемного крана
Список продуктов
Данный раздел/документ содержится в продуктах:
Данный раздел/документ содержится в продуктах:
- Техэксперт: Охрана труда
- Техэксперт: Нормы, правила, стандарты и законодательство России
- Техэксперт: Нефтегазовый комплекс
- Техэксперт: Машиностроительный комплекс
- Техэксперт: Электроэнергетика
- Техэксперт: Теплоэнергетика
- Стройэксперт. "Вариант Лидер"
- Техэксперт: Эксплуатация зданий
- Стройтехнолог
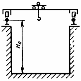
ВЫСОТА ПОДКРАНОВОГО ПУТИ ГРУЗОПОДЪЕМНОГО КРАНА
(Е) Crane track height
(F) Hauteur du chemin de roulement
Расстояние по вертикали от уровня пола (земли) до уровня головок рельсов подкранового пути
"ГОСТ 27555-87 Краны грузоподъемные. Термины и определения" от 24.12.1987 г.



