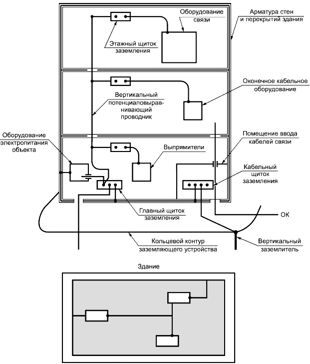
Заземление протяженное комплексное
Список продуктов
Данный раздел/документ содержится в продуктах:
Данный раздел/документ содержится в продуктах:
- Техэксперт: Пожарная безопасность
- Техэксперт: Нормы, правила, стандарты и законодательство России
- Техэксперт: Нефтегазовый комплекс
- Техэксперт: Машиностроительный комплекс
- Техэксперт: Электроэнергетика
- Техэксперт: Теплоэнергетика
- Стройэксперт. "Вариант Лидер"
- Техэксперт: Эксплуатация зданий
- Стройтехнолог
ЗАЗЕМЛЕНИЕ ПРОТЯЖЕННОЕ КОМПЛЕКСНОЕ
Совокупность заземления рабочего, протяженного и локально скоммутированных с ним параллельно заземлений рабочих, контурных, обеспечивающих работоспособность всего заземления в местах аномально высоких токовых нагрузок.



