
Вы нашли документ, содержащийся в электронной базе документов - "ТЕХЭКСПЕРТ"!
Помещение для проведения пескоструйных работ
Данный раздел/документ содержится в продуктах:
- Стройэксперт. "Вариант Лидер"
- Стройтехнолог
- Техэксперт: Охрана труда
- Авиатор
- Техэксперт: Эксплуатация зданий
- Техэксперт: Экология. Проф
Помещение для проведения пескоструйных работ
Вопрос:
Какие требования предъявляются к помещениям для проведения пескоструйных работ: обустройство, размещение оборудования, вентиляция в помещении для производственного пескоструйных работ?
Ответ:
1.
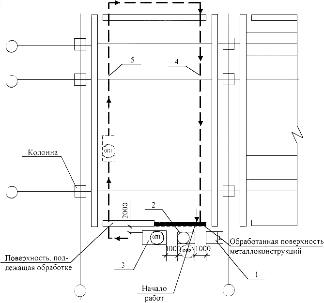
Организация рабочего места при пескоструйной очистке металлоконструкций показана на рисунке 1.
Условные обозначения:
Скачать документ нельзя - можно заказать Бесплатно! 1 документ
Документ будет отправлен на указанный Вами e-mail в течение 3 рабочих дней*
Часы работы: с Пн по Пт с 8:30 до 17:30 по московскому времени.
или
Посмотреть возможности крупнейшей электронной библиотеки "Техэксперт" - более 8 000 000 документов!



