
Вы нашли документ, содержащийся в электронной базе документов - "ТЕХЭКСПЕРТ"!
Изменение N 2 ГОСТ 11674-75 Тракторы гусеничные. Болты башмака гусеницы
Данный раздел/документ содержится в продуктах:
- Техэксперт: Машиностроительный комплекс
- Нормы, правила, стандарты в машиностроении
- ГОСТ 10702-63 Сталь для холодной высадки. Марки и технические требования (с Поправкой)
- ГОСТ 12.0.005-84 Система стандартов безопасности труда (ССБТ). Метрологическое обеспечение в области безопасности труда. Основные положения
- Порядок проведения испытаний и утверждения типа средств измерений (с изменениями на 3 июня 1997 года) (утратил силу на основании приказа Минпромторга России от 30.11.2009 N 1081)
- ГОСТ 10702-78 Прокат из качественной конструкционной углеродистой и легированной стали для холодного выдавливания и высадки. Технические условия (с Изменениями N 1, 2)
- Нормы, правила, стандарты и законодательство по техническому регулированию
- ГОСТ 12.0.005-84 Система стандартов безопасности труда (ССБТ). Метрологическое обеспечение в области безопасности труда. Основные положения
- ГОСТ 10702-78 Прокат из качественной конструкционной углеродистой и легированной стали для холодного выдавливания и высадки. Технические условия (с Изменениями N 1, 2)
- Нормы, правила, стандарты в машиностроении
- Техэксперт: Охрана труда
- Нормативные документы по охране труда
- ГОСТ 12.0.005-84 Система стандартов безопасности труда (ССБТ). Метрологическое обеспечение в области безопасности труда. Основные положения
- Нормативные документы по охране труда
- Техэксперт: Нефтегазовый комплекс
- Нормы, правила, стандарты по нефтегазовому комплексу
- ГОСТ 12.0.005-84 Система стандартов безопасности труда (ССБТ). Метрологическое обеспечение в области безопасности труда. Основные положения
- Все нормы, правила, стандарты
- Нормы, правила, стандарты по нефтегазовому комплексу
- Техэксперт: Нормы, правила, стандарты и законодательство России
- Нормы, правила, стандарты и законодательство по техническому регулированию
- ГОСТ 12.0.005-84 Система стандартов безопасности труда (ССБТ). Метрологическое обеспечение в области безопасности труда. Основные положения
- ГОСТ 10702-78 Прокат из качественной конструкционной углеродистой и легированной стали для холодного выдавливания и высадки. Технические условия (с Изменениями N 1, 2)
- Архив
- ГОСТ 12.0.005-84 Система стандартов безопасности труда (ССБТ). Метрологическое обеспечение в области безопасности труда. Основные положения
- Порядок проведения испытаний и утверждения типа средств измерений (с изменениями на 3 июня 1997 года) (утратил силу на основании приказа Минпромторга России от 30.11.2009 N 1081)
- Все нормы, правила, стандарты
- Нормы, правила, стандарты и законодательство по техническому регулированию
- Техэксперт: Электроэнергетика
- Нормы, правила, стандарты в электроэнергетике
- ГОСТ 12.0.005-84 Система стандартов безопасности труда (ССБТ). Метрологическое обеспечение в области безопасности труда. Основные положения
- Основы правового регулирования топливно-энергетического комплекса
- Нормы, правила, стандарты в электроэнергетике
- Стройэксперт. "Вариант Лидер"
- Строительное производство и проектирование (технические нормы, правила, стандарты)
- ГОСТ 12.0.005-84 Система стандартов безопасности труда (ССБТ). Метрологическое обеспечение в области безопасности труда. Основные положения
- Основы правового регулирования в строительстве
- Строительное производство и проектирование (технические нормы, правила, стандарты)
- Техэксперт: Помощник Проектировщика
- Строительное производство и проектирование (технические нормы, правила, стандарты)
- ГОСТ 12.0.005-84 Система стандартов безопасности труда (ССБТ). Метрологическое обеспечение в области безопасности труда. Основные положения
- Основы правового регулирования в строительстве
- Строительное производство и проектирование (технические нормы, правила, стандарты)
- Техэксперт: Пожарная безопасность
- Нормативные документы по пожарной безопасности
- ГОСТ 12.0.005-84 Система стандартов безопасности труда (ССБТ). Метрологическое обеспечение в области безопасности труда. Основные положения
- Нормативные документы по пожарной безопасности
- Авиатор
- Техэксперт: Эксплуатация зданий
- Техэксперт: Экология. Проф
- Техэксперт: Теплоэнергетика
- Техэксперт: Ценообразование и сметное дело в строительстве
- Техэксперт: Дорожное строительство
- Техэксперт: Промышленная безопасность
Группа Д25
ИЗМЕНЕНИЕ N 2
ГОСТ 11674-75 "Тракторы гусеничные. Болты башмака гусеницы"
Дата введения 1983-08-01
Постановлением Государственного комитета СССР по стандартам от 14.04.83 N 1772 срок введения установлен с 01.08.83
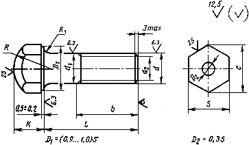
Пункт 1.1. Чертеж 1 заменить новым (вариант исполнения исключить):
Примечание. внутреннего диаметра резьбы.
Скачать документ нельзя - можно заказать Бесплатно! 1 документ
Документ будет отправлен на указанный Вами e-mail в течение 3 рабочих дней*
Часы работы: с Пн по Пт с 8:30 до 17:30 по московскому времени.
или
Посмотреть возможности крупнейшей электронной библиотеки "Техэксперт" - более 8 000 000 документов!



