
Вы нашли документ, содержащийся в электронной базе документов - "ТЕХЭКСПЕРТ"!
Изменение N 2 ОСТ 108.275.46-80 Плиты опорные промежуточные для опор трубопроводов ТЭС и АЭС. Конструкция и размеры
Данный раздел/документ содержится в продуктах:
- Техэксперт: Нормы, правила, стандарты и законодательство России
- Нормы, правила, стандарты и законодательство по техническому регулированию
- ОСТ 108.275.46-80 Плиты опорные промежуточные для опор трубопроводов ТЭС и АЭС. Конструкция и размеры (с Изменениями N 1-3)
- ОСТ 24.125.164-01 Плиты опорные промежуточные для опор трубопроводов ТЭС и АЭС. Конструкция и размеры
- ОСТ 24.125.163-01 Блоки катковые двухрядные для опор трубопроводов ТЭС и АЭС. Конструкция и размеры
- Все нормы, правила, стандарты
- ОСТ 108.275.46-80 Плиты опорные промежуточные для опор трубопроводов ТЭС и АЭС. Конструкция и размеры (с Изменениями N 1-3)
- ОСТ 24.125.164-01 Плиты опорные промежуточные для опор трубопроводов ТЭС и АЭС. Конструкция и размеры
- ОСТ 24.125.163-01 Блоки катковые двухрядные для опор трубопроводов ТЭС и АЭС. Конструкция и размеры
- Нормы, правила, стандарты и законодательство по техническому регулированию
- Техэксперт: Машиностроительный комплекс
- Нормы, правила, стандарты и законодательство по техническому регулированию
- ОСТ 108.275.46-80 Плиты опорные промежуточные для опор трубопроводов ТЭС и АЭС. Конструкция и размеры (с Изменениями N 1-3)
- ОСТ 24.125.164-01 Плиты опорные промежуточные для опор трубопроводов ТЭС и АЭС. Конструкция и размеры
- ОСТ 24.125.163-01 Блоки катковые двухрядные для опор трубопроводов ТЭС и АЭС. Конструкция и размеры
- Нормы, правила, стандарты в машиностроении
- ОСТ 108.275.46-80 Плиты опорные промежуточные для опор трубопроводов ТЭС и АЭС. Конструкция и размеры (с Изменениями N 1-3)
- ОСТ 24.125.164-01 Плиты опорные промежуточные для опор трубопроводов ТЭС и АЭС. Конструкция и размеры
- ОСТ 24.125.163-01 Блоки катковые двухрядные для опор трубопроводов ТЭС и АЭС. Конструкция и размеры
- Нормы, правила, стандарты и законодательство по техническому регулированию
- Техэксперт: Нефтегазовый комплекс
- Все нормы, правила, стандарты
- ОСТ 108.275.46-80 Плиты опорные промежуточные для опор трубопроводов ТЭС и АЭС. Конструкция и размеры (с Изменениями N 1-3)
- ОСТ 24.125.164-01 Плиты опорные промежуточные для опор трубопроводов ТЭС и АЭС. Конструкция и размеры
- ОСТ 24.125.163-01 Блоки катковые двухрядные для опор трубопроводов ТЭС и АЭС. Конструкция и размеры
- Все нормы, правила, стандарты
- Техэксперт: Теплоэнергетика
- Нормы, правила, стандарты в теплоэнергетике
- ОСТ 108.275.46-80 Плиты опорные промежуточные для опор трубопроводов ТЭС и АЭС. Конструкция и размеры (с Изменениями N 1-3)
- ОСТ 24.125.164-01 Плиты опорные промежуточные для опор трубопроводов ТЭС и АЭС. Конструкция и размеры
- ОСТ 24.125.163-01 Блоки катковые двухрядные для опор трубопроводов ТЭС и АЭС. Конструкция и размеры
- Нормы, правила, стандарты в теплоэнергетике
- Техэксперт: Электроэнергетика
- Нормы, правила, стандарты в электроэнергетике
- ОСТ 108.275.46-80 Плиты опорные промежуточные для опор трубопроводов ТЭС и АЭС. Конструкция и размеры (с Изменениями N 1-3)
- ОСТ 24.125.164-01 Плиты опорные промежуточные для опор трубопроводов ТЭС и АЭС. Конструкция и размеры
- ОСТ 24.125.163-01 Блоки катковые двухрядные для опор трубопроводов ТЭС и АЭС. Конструкция и размеры
- Нормы, правила, стандарты в электроэнергетике
Группа Е26
ИЗМЕНЕНИЕ N 2
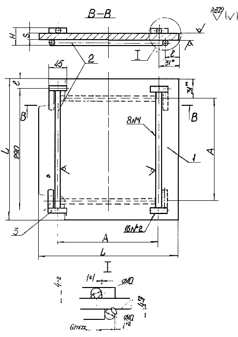
ОСТ 108.275.46-80 "Плиты опорные промежуточные
для опор трубопроводов ТЭС и АЭС. Конструкция и размеры"
Дата введения 1984-01-01
Указанием Министерства энергетического машиностроения от 28.12.83 N ЮК-002/9684 срок введения установлен с 01.01.84
На первой странице стандарта срок введения заменить: 01.01.82 на 01.01.85.
На нижнем поле первой страницы ввести отметку "Проверен в 1983 г.".
Чертеж заменить новым.
Скачать документ нельзя - можно заказать Бесплатно! 1 документ
Документ будет отправлен на указанный Вами e-mail в течение 3 рабочих дней*
Часы работы: с Пн по Пт с 8:30 до 17:30 по московскому времени.
или
Посмотреть возможности крупнейшей электронной библиотеки "Техэксперт" - более 8 000 000 документов!



