
Вы нашли документ, содержащийся в электронной базе документов - "ТЕХЭКСПЕРТ"!
Изменение N 2 ГОСТ 19022-73 Державки для прямого крепления резца к токарно-револьверным станкам. Конструкция и размеры
Данный раздел/документ содержится в продуктах:
- Техэксперт: Нормы, правила, стандарты и законодательство России
- Нормы, правила, стандарты и законодательство по техническому регулированию
- ГОСТ 19022-73 Державки для прямого крепления резца к токарно-револьверным станкам. Конструкция и размеры (с Изменениями N 1, 2)
- ГОСТ 8820-69 Канавки для выхода шлифовального круга. Форма и размеры (с Изменением N 1)
- ГОСТ 9650-80 (СТ СЭВ 5959-87) Оси. Технические условия (с Изменениями N 1, 2)
- ГОСТ 25573-82 Стропы грузовые канатные для строительства. Технические условия (с Изменениями N 1, 2)
- Все нормы, правила, стандарты
- ГОСТ 19022-73 Державки для прямого крепления резца к токарно-револьверным станкам. Конструкция и размеры (с Изменениями N 1, 2)
- ГОСТ 8820-69 Канавки для выхода шлифовального круга. Форма и размеры (с Изменением N 1)
- ГОСТ 9650-80 (СТ СЭВ 5959-87) Оси. Технические условия (с Изменениями N 1, 2)
- ГОСТ 25573-82 Стропы грузовые канатные для строительства. Технические условия (с Изменениями N 1, 2)
- Архив
- СанПиН 2.3.4.545-96 Производство хлеба, хлебобулочных и кондитерских изделий
- СНиП 2.04.03-85 Канализация. Наружные сети и сооружения (с Изменением N 1)
- СанПиН 2.3.4.545-96 Производство хлеба, хлебобулочных и кондитерских изделий
- Нормы, правила, стандарты и законодательство по техническому регулированию
- Техэксперт: Машиностроительный комплекс
- Нормы, правила, стандарты и законодательство по техническому регулированию
- ГОСТ 19022-73 Державки для прямого крепления резца к токарно-револьверным станкам. Конструкция и размеры (с Изменениями N 1, 2)
- ГОСТ 8820-69 Канавки для выхода шлифовального круга. Форма и размеры (с Изменением N 1)
- ГОСТ 9650-80 (СТ СЭВ 5959-87) Оси. Технические условия (с Изменениями N 1, 2)
- ГОСТ 25573-82 Стропы грузовые канатные для строительства. Технические условия (с Изменениями N 1, 2)
- Нормы, правила, стандарты в машиностроении
- ГОСТ 19022-73 Державки для прямого крепления резца к токарно-револьверным станкам. Конструкция и размеры (с Изменениями N 1, 2)
- ГОСТ 8820-69 Канавки для выхода шлифовального круга. Форма и размеры (с Изменением N 1)
- ГОСТ 9650-80 (СТ СЭВ 5959-87) Оси. Технические условия (с Изменениями N 1, 2)
- ГОСТ 25573-82 Стропы грузовые канатные для строительства. Технические условия (с Изменениями N 1, 2)
- Нормы, правила, стандарты и законодательство по техническому регулированию
- Техэксперт: Нефтегазовый комплекс
- Все нормы, правила, стандарты
- ГОСТ 19022-73 Державки для прямого крепления резца к токарно-револьверным станкам. Конструкция и размеры (с Изменениями N 1, 2)
- ГОСТ 8820-69 Канавки для выхода шлифовального круга. Форма и размеры (с Изменением N 1)
- ГОСТ 9650-80 (СТ СЭВ 5959-87) Оси. Технические условия (с Изменениями N 1, 2)
- ГОСТ 25573-82 Стропы грузовые канатные для строительства. Технические условия (с Изменениями N 1, 2)
- Нормы, правила, стандарты по нефтегазовому комплексу
- Все нормы, правила, стандарты
- Техэксперт: Охрана труда
- Нормативные документы по охране труда
- СанПиН 2.3.4.545-96 Производство хлеба, хлебобулочных и кондитерских изделий
- СНиП 2.04.03-85 Канализация. Наружные сети и сооружения (с Изменением N 1)
- СанПиН 2.3.4.545-96 Производство хлеба, хлебобулочных и кондитерских изделий
- Нормативные документы по охране труда
- Техэксперт: Экология. Проф
- Система нормативов охраны и рационального использования природных ресурсов
- СанПиН 2.3.4.545-96 Производство хлеба, хлебобулочных и кондитерских изделий
- СНиП 2.04.03-85 Канализация. Наружные сети и сооружения (с Изменением N 1)
- СанПиН 2.3.4.545-96 Производство хлеба, хлебобулочных и кондитерских изделий
- Законодательство России
- Система нормативов охраны и рационального использования природных ресурсов
- Стройэксперт. "Вариант Лидер"
- Строительное производство и проектирование (технические нормы, правила, стандарты)
- СанПиН 2.3.4.545-96 Производство хлеба, хлебобулочных и кондитерских изделий
- СНиП 2.04.03-85 Канализация. Наружные сети и сооружения (с Изменением N 1)
- ГОСТ 25573-82 Стропы грузовые канатные для строительства. Технические условия (с Изменениями N 1, 2)
- СанПиН 2.3.4.545-96 Производство хлеба, хлебобулочных и кондитерских изделий
- Строительство автомобильных дорог
- Строительное производство и проектирование (технические нормы, правила, стандарты)
- Техэксперт: Помощник Проектировщика
- Строительное производство и проектирование (технические нормы, правила, стандарты)
- СанПиН 2.3.4.545-96 Производство хлеба, хлебобулочных и кондитерских изделий
- СНиП 2.04.03-85 Канализация. Наружные сети и сооружения (с Изменением N 1)
- ГОСТ 25573-82 Стропы грузовые канатные для строительства. Технические условия (с Изменениями N 1, 2)
- СанПиН 2.3.4.545-96 Производство хлеба, хлебобулочных и кондитерских изделий
- Строительное производство и проектирование (технические нормы, правила, стандарты)
- Авиатор
- Техэксперт: Эксплуатация зданий
- Техэксперт: Дорожное строительство
- Техэксперт: Промышленная безопасность
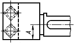
ИЗМЕНЕНИЕ N 2
ГОСТ 19022-73 "Державки для прямого крепления резца
к токарно-револьверным станкам. Конструкция и размеры
Дата введения 1990-09-01
УТВЕРЖДЕНО И ВВЕДЕНО В ДЕЙСТВИЕ Постановлением Государственного комитета СССР по управлению качеством продукции и стандартам от 27.02.90 N 288
Под наименованием стандарта проставить код: ОКП 39 2851.
Пункт 1.1. Чертеж 1. Главный вид. Сплошную линию заменить на пунктирную, как указано на чертеже
Скачать документ нельзя - можно заказать Бесплатно! 1 документ
Документ будет отправлен на указанный Вами e-mail в течение 3 рабочих дней*
Часы работы: с Пн по Пт с 8:30 до 17:30 по московскому времени.
или
Посмотреть возможности крупнейшей электронной библиотеки "Техэксперт" - более 8 000 000 документов!



