0 продуктов

Авторизация

 

Вы нашли документ, содержащийся в электронной базе документов - "ТЕХЭКСПЕРТ"!

Изменение N 2 ГОСТ 17777-72 Шайбы опорные к установочным пальцам. Конструкция и размеры

Список продуктов
Данный раздел/документ содержится в продуктах:


         

     ИЗМЕНЕНИЕ N 2
ГОСТ 17777-72 "Шайбы опорные к установочным пальцам.
Конструкция и размеры"


Дата введения 1990-01-01

УТВЕРЖДЕНО И ВВЕДЕНО В ДЕЙСТВИЕ Постановлением Государственного комитета СССР по стандартам от 16.05.89 N 1228



Наименование стандарта. Исключить слова "и размеры"; "and dimensions".

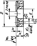
Пункт 2. Чертеж. Заменить изображение главного вида:




Пункт 2 (чертеж), 5. Заменить параметр шероховатости: 40 на 6,3.

Скачать документ нельзя - можно заказать Бесплатно! 1 документ 

Документ будет отправлен на указанный Вами e-mail в течение 3 рабочих дней* 

Часы работы: с Пн по Пт с 8:30 до 17:30 по московскому времени.

или

Посмотреть возможности крупнейшей электронной библиотеки "Техэксперт" - более 8 000 000 документов!

Форма заказа

Вы можете заказать БЕСПЛАТНУЮ демонстрацию систем "Техэксперт", заполнив следующую форму:

Наименование компании:*


Город, Область:*


ФИО, должность обратившегося:*


Контактный телефон:*

()

 В формате: (495) 679-84-86

E-mail:*


Поля, помеченные звездочкой (*), обязательны для заполнения


! После демонстрации Вы получите бесплатный доступ к базе данных «Информационный указатель стандартов» или к информационному каналу «Реформа технического регулирования», куда включены не только новые технические регламенты, но также их проекты - предстоящие изменения в области технического регулирования. Ни в одной другой базе данных этого нет!
Подписка на полную версию «Указателя стандартов» через ФГУП «Стандартинформ» стоит 20 000 рублей.
При заказе демонстрации Вы получите доступ к его электронной версии совершенно бесплатно!

Форма заказа

Наименование компании:*


Регион:


Город:*


ФИО, должность обратившегося:*


Контактный телефон:*

()

 В формате: (495) 679-84-86

E-mail:*


Название документа:


Поля, помеченные звездочкой (*), обязательны для заполнения

Если карточка заполнена некорректно или предоставлены заведомо неправильные сведения - документ бесплатно не предоставляется.

Код с картинки:



  


Категории продуктов

 

 

 

Знакомьтесь, "Техэксперт"

 Техэксперт для iPad

 Для Android

АКЦИЯ!

Бесплатный доступ