
Вы нашли документ, содержащийся в электронной базе документов - "ТЕХЭКСПЕРТ"!
Изменение N 1 ГОСТ 19750-84 Концевая часть затворов соединений с плоской металлической прокладкой. Конструкция и размеры
Данный раздел/документ содержится в продуктах:
- Техэксперт: Нормы, правила, стандарты и законодательство России
- Нормы, правила, стандарты и законодательство по техническому регулированию
- ГОСТ 19750-84 Концевая часть затворов соединений с плоской металлической прокладкой. Конструкция и размеры (с Изменением N 1)
- ГОСТ 19749-84 Соединения неподвижные разъемные пневмогидросистем. Затворы закрытые. Типы и технические требования (с Изменением N 1)
- ГОСТ 19751-84 Гнезда затворов соединений с плоской металлической прокладкой. Конструкция и размеры (с Изменением N 1)
- Изменение N 1 ГОСТ 19751-84 Гнезда затворов соединений с плоской металлической прокладкой. Конструкция и размеры
- Все нормы, правила, стандарты
- ГОСТ 19750-84 Концевая часть затворов соединений с плоской металлической прокладкой. Конструкция и размеры (с Изменением N 1)
- ГОСТ 19749-84 Соединения неподвижные разъемные пневмогидросистем. Затворы закрытые. Типы и технические требования (с Изменением N 1)
- ГОСТ 19751-84 Гнезда затворов соединений с плоской металлической прокладкой. Конструкция и размеры (с Изменением N 1)
- Изменение N 1 ГОСТ 19751-84 Гнезда затворов соединений с плоской металлической прокладкой. Конструкция и размеры
- Нормы, правила, стандарты и законодательство по техническому регулированию
- Техэксперт: Машиностроительный комплекс
- Нормы, правила, стандарты и законодательство по техническому регулированию
- ГОСТ 19750-84 Концевая часть затворов соединений с плоской металлической прокладкой. Конструкция и размеры (с Изменением N 1)
- ГОСТ 19749-84 Соединения неподвижные разъемные пневмогидросистем. Затворы закрытые. Типы и технические требования (с Изменением N 1)
- ГОСТ 19751-84 Гнезда затворов соединений с плоской металлической прокладкой. Конструкция и размеры (с Изменением N 1)
- Изменение N 1 ГОСТ 19751-84 Гнезда затворов соединений с плоской металлической прокладкой. Конструкция и размеры
- Нормы, правила, стандарты в машиностроении
- ГОСТ 19750-84 Концевая часть затворов соединений с плоской металлической прокладкой. Конструкция и размеры (с Изменением N 1)
- ГОСТ 19749-84 Соединения неподвижные разъемные пневмогидросистем. Затворы закрытые. Типы и технические требования (с Изменением N 1)
- ГОСТ 19751-84 Гнезда затворов соединений с плоской металлической прокладкой. Конструкция и размеры (с Изменением N 1)
- Изменение N 1 ГОСТ 19751-84 Гнезда затворов соединений с плоской металлической прокладкой. Конструкция и размеры
- Нормы, правила, стандарты и законодательство по техническому регулированию
- Техэксперт: Нефтегазовый комплекс
- Все нормы, правила, стандарты
- ГОСТ 19750-84 Концевая часть затворов соединений с плоской металлической прокладкой. Конструкция и размеры (с Изменением N 1)
- ГОСТ 19749-84 Соединения неподвижные разъемные пневмогидросистем. Затворы закрытые. Типы и технические требования (с Изменением N 1)
- ГОСТ 19751-84 Гнезда затворов соединений с плоской металлической прокладкой. Конструкция и размеры (с Изменением N 1)
- Изменение N 1 ГОСТ 19751-84 Гнезда затворов соединений с плоской металлической прокладкой. Конструкция и размеры
- Все нормы, правила, стандарты
ИЗМЕНЕНИЕ N 1
ГОСТ 19750-84 "Концевая часть затворов соединений с плоской металлической прокладкой. Конструкция и размеры"
Дата введения 1989-01-01
УТВЕРЖДЕНО И ВВЕДЕНО В ДЕЙСТВИЕ Постановлением Государственного комитета СССР по стандартам от 24.05.88 N 1439
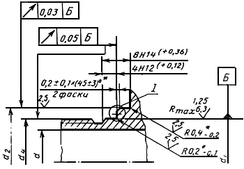
Пункт 3. Чертеж. Заменить размер: 60°* на (60°±1°)*;
исполнение 1 заменить новым:
Пункт 6 исключить.
Скачать документ нельзя - можно заказать Бесплатно! 1 документ
Документ будет отправлен на указанный Вами e-mail в течение 3 рабочих дней*
Часы работы: с Пн по Пт с 8:30 до 17:30 по московскому времени.
или
Посмотреть возможности крупнейшей электронной библиотеки "Техэксперт" - более 8 000 000 документов!



