
Вы нашли документ, содержащийся в электронной базе документов - "ТЕХЭКСПЕРТ"!
ГОСТ 24967-81 Калибры пазовые для размеров до 3 мм. Конструкция и размеры
Данный раздел/документ содержится в продуктах:
- Техэксперт: Нормы, правила, стандарты и законодательство России
- Нормы, правила, стандарты и законодательство по техническому регулированию
- ГОСТ 1139-80 Основные нормы взаимозаменяемости. Соединения шлицевые прямобочные. Размеры и допуски (с Изменениями N 1, 2)
- О правилах применения знака соответствия при обязательной сертификации продукции (с изменениями на 5 июля 2002 года)
- Об утверждении перечней правовых актов и их отдельных частей (положений), содержащих обязательные требования, соблюдение которых оценивается при проведении мероприятий по контролю в рамках осуществления федерального государственного метрологического надзора и государственного контроля (надзора) за соблюдением обязательных требований национальных стандартов и технических регламентов
- ГОСТ 3480-76 (СТ СЭВ 4460-83, СТ СЭВ 4461-83, СТ СЭВ 5820-86) Вал отбора мощности сельскохозяйственных тракторов и вал приема мощности сельскохозяйственных машин. Типы и основные параметры (с Изменениями N 1, 2)
- Все нормы, правила, стандарты
- ГОСТ 1139-80 Основные нормы взаимозаменяемости. Соединения шлицевые прямобочные. Размеры и допуски (с Изменениями N 1, 2)
- ГОСТ 3480-76 (СТ СЭВ 4460-83, СТ СЭВ 4461-83, СТ СЭВ 5820-86) Вал отбора мощности сельскохозяйственных тракторов и вал приема мощности сельскохозяйственных машин. Типы и основные параметры (с Изменениями N 1, 2)
- Всё законодательство России
- О правилах применения знака соответствия при обязательной сертификации продукции (с изменениями на 5 июля 2002 года)
- Об утверждении перечней правовых актов и их отдельных частей (положений), содержащих обязательные требования, соблюдение которых оценивается при проведении мероприятий по контролю в рамках осуществления федерального государственного метрологического надзора и государственного контроля (надзора) за соблюдением обязательных требований национальных стандартов и технических регламентов
- О правилах применения знака соответствия при обязательной сертификации продукции (с изменениями на 5 июля 2002 года)
- Нормы, правила, стандарты и законодательство по техническому регулированию
- Техэксперт: Машиностроительный комплекс
- Нормы, правила, стандарты и законодательство по техническому регулированию
- ГОСТ 1139-80 Основные нормы взаимозаменяемости. Соединения шлицевые прямобочные. Размеры и допуски (с Изменениями N 1, 2)
- О правилах применения знака соответствия при обязательной сертификации продукции (с изменениями на 5 июля 2002 года)
- Об утверждении перечней правовых актов и их отдельных частей (положений), содержащих обязательные требования, соблюдение которых оценивается при проведении мероприятий по контролю в рамках осуществления федерального государственного метрологического надзора и государственного контроля (надзора) за соблюдением обязательных требований национальных стандартов и технических регламентов
- ГОСТ 3480-76 (СТ СЭВ 4460-83, СТ СЭВ 4461-83, СТ СЭВ 5820-86) Вал отбора мощности сельскохозяйственных тракторов и вал приема мощности сельскохозяйственных машин. Типы и основные параметры (с Изменениями N 1, 2)
- Нормы, правила, стандарты в машиностроении
- ГОСТ 1139-80 Основные нормы взаимозаменяемости. Соединения шлицевые прямобочные. Размеры и допуски (с Изменениями N 1, 2)
- ГОСТ 3480-76 (СТ СЭВ 4460-83, СТ СЭВ 4461-83, СТ СЭВ 5820-86) Вал отбора мощности сельскохозяйственных тракторов и вал приема мощности сельскохозяйственных машин. Типы и основные параметры (с Изменениями N 1, 2)
- Нормы, правила, стандарты и законодательство по техническому регулированию
- Техэксперт: Нефтегазовый комплекс
- Все нормы, правила, стандарты
- ГОСТ 1139-80 Основные нормы взаимозаменяемости. Соединения шлицевые прямобочные. Размеры и допуски (с Изменениями N 1, 2)
- ГОСТ 3480-76 (СТ СЭВ 4460-83, СТ СЭВ 4461-83, СТ СЭВ 5820-86) Вал отбора мощности сельскохозяйственных тракторов и вал приема мощности сельскохозяйственных машин. Типы и основные параметры (с Изменениями N 1, 2)
- Всё законодательство России
- О правилах применения знака соответствия при обязательной сертификации продукции (с изменениями на 5 июля 2002 года)
- Об утверждении перечней правовых актов и их отдельных частей (положений), содержащих обязательные требования, соблюдение которых оценивается при проведении мероприятий по контролю в рамках осуществления федерального государственного метрологического надзора и государственного контроля (надзора) за соблюдением обязательных требований национальных стандартов и технических регламентов
- О правилах применения знака соответствия при обязательной сертификации продукции (с изменениями на 5 июля 2002 года)
- Все нормы, правила, стандарты
- Авиатор
- Законодательство России
- Об утверждении перечней правовых актов и их отдельных частей (положений), содержащих обязательные требования, соблюдение которых оценивается при проведении мероприятий по контролю в рамках осуществления федерального государственного метрологического надзора и государственного контроля (надзора) за соблюдением обязательных требований национальных стандартов и технических регламентов
- О правилах применения знака соответствия при обязательной сертификации продукции (с изменениями на 5 июля 2002 года)
- Об утверждении перечней правовых актов и их отдельных частей (положений), содержащих обязательные требования, соблюдение которых оценивается при проведении мероприятий по контролю в рамках осуществления федерального государственного метрологического надзора и государственного контроля (надзора) за соблюдением обязательных требований национальных стандартов и технических регламентов
- О порядке сдачи квалификационного экзамена государственными гражданскими служащими Российской Федерации и оценки их знаний, навыков и умений (профессионального уровня) (с изменениями на 1 июля 2014 года)
- О проведении квалификационных экзаменов на присвоение классных чинов государственным гражданским служащим Министерства транспорта Российской Федерации
- Государственное право (государственное устройство)
- О правилах применения знака соответствия при обязательной сертификации продукции (с изменениями на 5 июля 2002 года)
- Об утверждении перечней правовых актов и их отдельных частей (положений), содержащих обязательные требования, соблюдение которых оценивается при проведении мероприятий по контролю в рамках осуществления федерального государственного метрологического надзора и государственного контроля (надзора) за соблюдением обязательных требований национальных стандартов и технических регламентов
- О правилах применения знака соответствия при обязательной сертификации продукции (с изменениями на 5 июля 2002 года)
- Государственное право (государственное устройство)
- О проведении квалификационных экзаменов на присвоение классных чинов государственным гражданским служащим Министерства транспорта Российской Федерации
- Законодательство России
- Техэксперт: Эксплуатация зданий
- Законодательство России
- Об утверждении перечней правовых актов и их отдельных частей (положений), содержащих обязательные требования, соблюдение которых оценивается при проведении мероприятий по контролю в рамках осуществления федерального государственного метрологического надзора и государственного контроля (надзора) за соблюдением обязательных требований национальных стандартов и технических регламентов
- О правилах применения знака соответствия при обязательной сертификации продукции (с изменениями на 5 июля 2002 года)
- Об утверждении перечней правовых актов и их отдельных частей (положений), содержащих обязательные требования, соблюдение которых оценивается при проведении мероприятий по контролю в рамках осуществления федерального государственного метрологического надзора и государственного контроля (надзора) за соблюдением обязательных требований национальных стандартов и технических регламентов
- О порядке сдачи квалификационного экзамена государственными гражданскими служащими Российской Федерации и оценки их знаний, навыков и умений (профессионального уровня) (с изменениями на 1 июля 2014 года)
- О проведении квалификационных экзаменов на присвоение классных чинов государственным гражданским служащим Министерства транспорта Российской Федерации
- Государственное право (государственное устройство)
- О правилах применения знака соответствия при обязательной сертификации продукции (с изменениями на 5 июля 2002 года)
- Об утверждении перечней правовых актов и их отдельных частей (положений), содержащих обязательные требования, соблюдение которых оценивается при проведении мероприятий по контролю в рамках осуществления федерального государственного метрологического надзора и государственного контроля (надзора) за соблюдением обязательных требований национальных стандартов и технических регламентов
- О правилах применения знака соответствия при обязательной сертификации продукции (с изменениями на 5 июля 2002 года)
- Государственное право (государственное устройство)
- О проведении квалификационных экзаменов на присвоение классных чинов государственным гражданским служащим Министерства транспорта Российской Федерации
- Законодательство России
- Техэксперт: Экология. Проф
- Законодательство России
- Об утверждении перечней правовых актов и их отдельных частей (положений), содержащих обязательные требования, соблюдение которых оценивается при проведении мероприятий по контролю в рамках осуществления федерального государственного метрологического надзора и государственного контроля (надзора) за соблюдением обязательных требований национальных стандартов и технических регламентов
- О правилах применения знака соответствия при обязательной сертификации продукции (с изменениями на 5 июля 2002 года)
- Об утверждении перечней правовых актов и их отдельных частей (положений), содержащих обязательные требования, соблюдение которых оценивается при проведении мероприятий по контролю в рамках осуществления федерального государственного метрологического надзора и государственного контроля (надзора) за соблюдением обязательных требований национальных стандартов и технических регламентов
- О порядке сдачи квалификационного экзамена государственными гражданскими служащими Российской Федерации и оценки их знаний, навыков и умений (профессионального уровня) (с изменениями на 1 июля 2014 года)
- О проведении квалификационных экзаменов на присвоение классных чинов государственным гражданским служащим Министерства транспорта Российской Федерации
- Государственное право (государственное устройство)
- О правилах применения знака соответствия при обязательной сертификации продукции (с изменениями на 5 июля 2002 года)
- Об утверждении перечней правовых актов и их отдельных частей (положений), содержащих обязательные требования, соблюдение которых оценивается при проведении мероприятий по контролю в рамках осуществления федерального государственного метрологического надзора и государственного контроля (надзора) за соблюдением обязательных требований национальных стандартов и технических регламентов
- О правилах применения знака соответствия при обязательной сертификации продукции (с изменениями на 5 июля 2002 года)
- Государственное право (государственное устройство)
- О проведении квалификационных экзаменов на присвоение классных чинов государственным гражданским служащим Министерства транспорта Российской Федерации
- Законодательство России
- Техэксперт: Охрана труда
- Нормативные документы по охране труда
- О правилах применения знака соответствия при обязательной сертификации продукции (с изменениями на 5 июля 2002 года)
- Об утверждении перечней правовых актов и их отдельных частей (положений), содержащих обязательные требования, соблюдение которых оценивается при проведении мероприятий по контролю в рамках осуществления федерального государственного метрологического надзора и государственного контроля (надзора) за соблюдением обязательных требований национальных стандартов и технических регламентов
- О правилах применения знака соответствия при обязательной сертификации продукции (с изменениями на 5 июля 2002 года)
- Нормативные документы по охране труда
- Техэксперт: Электроэнергетика
- Основы правового регулирования топливно-энергетического комплекса
- О правилах применения знака соответствия при обязательной сертификации продукции (с изменениями на 5 июля 2002 года)
- Об утверждении перечней правовых актов и их отдельных частей (положений), содержащих обязательные требования, соблюдение которых оценивается при проведении мероприятий по контролю в рамках осуществления федерального государственного метрологического надзора и государственного контроля (надзора) за соблюдением обязательных требований национальных стандартов и технических регламентов
- О правилах применения знака соответствия при обязательной сертификации продукции (с изменениями на 5 июля 2002 года)
- Основы правового регулирования топливно-энергетического комплекса
- Техэксперт: Теплоэнергетика
- Основы правового регулирования топливно-энергетического комплекса
- О правилах применения знака соответствия при обязательной сертификации продукции (с изменениями на 5 июля 2002 года)
- Об утверждении перечней правовых актов и их отдельных частей (положений), содержащих обязательные требования, соблюдение которых оценивается при проведении мероприятий по контролю в рамках осуществления федерального государственного метрологического надзора и государственного контроля (надзора) за соблюдением обязательных требований национальных стандартов и технических регламентов
- О правилах применения знака соответствия при обязательной сертификации продукции (с изменениями на 5 июля 2002 года)
- Основы правового регулирования топливно-энергетического комплекса
- Стройэксперт. "Вариант Лидер"
- Основы правового регулирования в строительстве
- О правилах применения знака соответствия при обязательной сертификации продукции (с изменениями на 5 июля 2002 года)
- Об утверждении перечней правовых актов и их отдельных частей (положений), содержащих обязательные требования, соблюдение которых оценивается при проведении мероприятий по контролю в рамках осуществления федерального государственного метрологического надзора и государственного контроля (надзора) за соблюдением обязательных требований национальных стандартов и технических регламентов
- О правилах применения знака соответствия при обязательной сертификации продукции (с изменениями на 5 июля 2002 года)
- Основы правового регулирования в строительстве
- Техэксперт: Ценообразование и сметное дело в строительстве
- Основы правового регулирования в строительстве
- О правилах применения знака соответствия при обязательной сертификации продукции (с изменениями на 5 июля 2002 года)
- Об утверждении перечней правовых актов и их отдельных частей (положений), содержащих обязательные требования, соблюдение которых оценивается при проведении мероприятий по контролю в рамках осуществления федерального государственного метрологического надзора и государственного контроля (надзора) за соблюдением обязательных требований национальных стандартов и технических регламентов
- О правилах применения знака соответствия при обязательной сертификации продукции (с изменениями на 5 июля 2002 года)
- Основы правового регулирования в строительстве
- Техэксперт: Помощник Проектировщика
- Основы правового регулирования в строительстве
- О правилах применения знака соответствия при обязательной сертификации продукции (с изменениями на 5 июля 2002 года)
- Об утверждении перечней правовых актов и их отдельных частей (положений), содержащих обязательные требования, соблюдение которых оценивается при проведении мероприятий по контролю в рамках осуществления федерального государственного метрологического надзора и государственного контроля (надзора) за соблюдением обязательных требований национальных стандартов и технических регламентов
- О правилах применения знака соответствия при обязательной сертификации продукции (с изменениями на 5 июля 2002 года)
- Основы правового регулирования в строительстве
- Техэксперт: Дорожное строительство
- Основы правового регулирования в строительстве
- О правилах применения знака соответствия при обязательной сертификации продукции (с изменениями на 5 июля 2002 года)
- Об утверждении перечней правовых актов и их отдельных частей (положений), содержащих обязательные требования, соблюдение которых оценивается при проведении мероприятий по контролю в рамках осуществления федерального государственного метрологического надзора и государственного контроля (надзора) за соблюдением обязательных требований национальных стандартов и технических регламентов
- О правилах применения знака соответствия при обязательной сертификации продукции (с изменениями на 5 июля 2002 года)
- Основы правового регулирования в строительстве
- Техэксперт: Пожарная безопасность
- Нормативные документы по пожарной безопасности
- О правилах применения знака соответствия при обязательной сертификации продукции (с изменениями на 5 июля 2002 года)
- Об утверждении перечней правовых актов и их отдельных частей (положений), содержащих обязательные требования, соблюдение которых оценивается при проведении мероприятий по контролю в рамках осуществления федерального государственного метрологического надзора и государственного контроля (надзора) за соблюдением обязательных требований национальных стандартов и технических регламентов
- О правилах применения знака соответствия при обязательной сертификации продукции (с изменениями на 5 июля 2002 года)
- Нормативные документы по пожарной безопасности
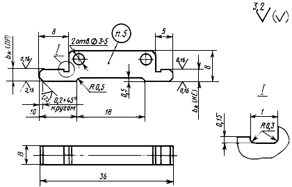
ГОСТ 24967-81
Группа Г28
ГОСУДАРСТВЕННЫЙ СТАНДАРТ СОЮЗА ССР
КАЛИБРЫ ПАЗОВЫЕ ДЛЯ РАЗМЕРОВ ДО 3 MM
Конструкция и размеры
Splined gauges for dimensions up to 3 mm.
Design and dimensions
ОКП 39 3100
Дата введения 1982-01-01
Постановлением Государственного комитета СССР по стандартам от 29 сентября 1981 г. N 4412 срок введения установлен с 01.01.82
ПЕРЕИЗДАНИЕ. Июль 1986 г.
2. Основные размеры калибров должны соответствовать указанным на чертеже и в табл.1.
Скачать документ нельзя - можно заказать Бесплатно! 1 документ
Документ будет отправлен на указанный Вами e-mail в течение 3 рабочих дней*
Часы работы: с Пн по Пт с 8:30 до 17:30 по московскому времени.
или
Посмотреть возможности крупнейшей электронной библиотеки "Техэксперт" - более 8 000 000 документов!



