
Вы нашли документ, содержащийся в электронной базе документов - "ТЕХЭКСПЕРТ"!
ГОСТ 12775-67 Опоры ступенчатые. Конструкция и размеры (с Изменением N 1)
Данный раздел/документ содержится в продуктах:
- Техэксперт: Нормы, правила, стандарты и законодательство России
- Нормы, правила, стандарты и законодательство по техническому регулированию
- Все нормы, правила, стандарты
- Архив
- Техэксперт: Машиностроительный комплекс
- Нормы, правила, стандарты и законодательство по техническому регулированию
- Нормы, правила, стандарты в машиностроении
- Техэксперт: Нефтегазовый комплекс
- Все нормы, правила, стандарты
- Техэксперт: Охрана труда
- Нормативные документы по охране труда
- Техэксперт: Экология. Проф
- Система нормативов охраны и рационального использования природных ресурсов
- Законодательство России
- Стройэксперт. "Вариант Лидер"
- Строительное производство и проектирование (технические нормы, правила, стандарты)
- СанПиН 2.3.4.545-96 Производство хлеба, хлебобулочных и кондитерских изделий
- ГОСТ 11042-90 Молотки стальные строительные. Технические условия
- Строительное производство и проектирование (технические нормы, правила, стандарты)
- Техэксперт: Помощник Проектировщика
- Строительное производство и проектирование (технические нормы, правила, стандарты)
- СанПиН 2.3.4.545-96 Производство хлеба, хлебобулочных и кондитерских изделий
- ГОСТ 11042-90 Молотки стальные строительные. Технические условия
- Строительное производство и проектирование (технические нормы, правила, стандарты)
- Авиатор
- Техэксперт: Эксплуатация зданий
ГОСТ 12775-67*
Группа Г22
1083-0230
ГОСУДАРСТВЕННЫЙ СТАНДАРТ СОЮЗА ССР
ОПОРЫ СТУПЕНЧАТЫЕ. КОНСТРУКЦИЯ И РАЗМЕРЫ
Stepped supports. Design and dimensions
Дата введения 1968-07-01
УТВЕРЖДЕН Комитетом стандартов, мер и измерительных приборов при Совете Министров СССР 21 марта 1967 г. Срок введения установлен с 01.07 1968 г.
* ПЕРЕИЗДАНИЕ (апрель 1981 г.) с Изменением N 1, утвержденным в июле 1980 г. (ИУС 10-80).
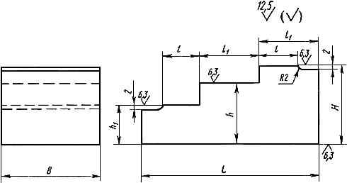
1. Конструкция и размеры ступенчатой опоры должны соответствовать чертежу и таблице.
Размеры в мм
Скачать документ нельзя - можно заказать Бесплатно! 1 документ
Документ будет отправлен на указанный Вами e-mail в течение 3 рабочих дней*
Часы работы: с Пн по Пт с 8:30 до 17:30 по московскому времени.
или
Посмотреть возможности крупнейшей электронной библиотеки "Техэксперт" - более 8 000 000 документов!



