
Вы нашли документ, содержащийся в электронной базе документов - "ТЕХЭКСПЕРТ"!
ГОСТ 16045-70 Штуцера приварные для соединений трубопроводов по внутреннему конусу. Конструкция и размеры
Данный раздел/документ содержится в продуктах:
- Стройэксперт. "Вариант Лидер"
- Комментарии, статьи, консультации по вопросам строительства
- Строительство автомобильных дорог
- Строительное производство и проектирование (технические нормы, правила, стандарты)
- Стройтехнолог
- Техэксперт: Нефтегазовый комплекс
- Нормы, правила, стандарты по нефтегазовому комплексу
- Все нормы, правила, стандарты
- Техэксперт: Дорожное строительство
- Техэксперт: Помощник Проектировщика
- Строительное производство и проектирование (технические нормы, правила, стандарты)
- Техэксперт: Машиностроительный комплекс
- Нормы, правила, стандарты в машиностроении
- ГОСТ 16523-70 (СТ СЭВ 2212-80, СТ СЭВ 3919-82) Сталь листовая углеродистая качественная и обыкновенного качества общего назначения (с Изменениями N 1-3)
- ГОСТ 16078-70 Соединения трубопроводов по внутреннему конусу. Технические требования (с Изменениями N 1, 2)
- ГОСТ 2991-85 Ящики дощатые неразборные для грузов массой до 500 кг. Общие технические условия (с Изменениями N 1, 2)
- Нормы, правила, стандарты и законодательство по техническому регулированию
- Нормы, правила, стандарты в машиностроении
- Техэксперт: Нормы, правила, стандарты и законодательство России
- Нормы, правила, стандарты и законодательство по техническому регулированию
- Все нормы, правила, стандарты
ГОСТ 16045-70
Группа Г18
ГОСУДАРСТВЕННЫЙ СТАНДАРТ СОЮЗА ССР
ШТУЦЕРА ПРИВАРНЫЕ ДЛЯ СОЕДИНЕНИЙ ТРУБОПРОВОДОВ ПО ВНУТРЕННЕМУ КОНУСУ
Конструкция и размеры
Welded fittings for tube connections on internal cone. Construction and dimensions
Дата введения 1971-01-01
Постановлением Комитета стандартов, мер и измерительных приборов при Совете Министров СССР от 5 июня 1970 г. N 839 срок введения установлен с 01.01.71
ПЕРЕИЗДАНИЕ. Июнь 1987 г.
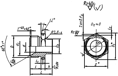
1. Конструкция и размеры приварных штуцеров должны соответствовать указанным на чертеже и в таблице.
________________
* Размеры для справок.
Скачать документ нельзя - можно заказать Бесплатно! 1 документ
Документ будет отправлен на указанный Вами e-mail в течение 3 рабочих дней*
Часы работы: с Пн по Пт с 8:30 до 17:30 по московскому времени.
или
Посмотреть возможности крупнейшей электронной библиотеки "Техэксперт" - более 8 000 000 документов!



