
Вы нашли документ, содержащийся в электронной базе документов - "ТЕХЭКСПЕРТ"!
Муфты FRIALEN типа UB PN 25, без упора. Технический паспорт
Список продуктов
Данный раздел/документ содержится в продуктах:
Данный раздел/документ содержится в продуктах:
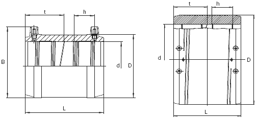
МУФТЫ FRIALEN® ТИПА UB PN25, БЕЗ УПОРА
Технический паспорт изделия FRIALEN, N 1 PN25/07 версия 3/08
Марка полиэтилена: РЕ 100 SDR: SDR 7,4.
Максимально допустимое рабочее давление: 25 бар (для воды)
d |
Артикул |
Статус наличия |
Скачать документ нельзя - можно заказать Бесплатно! 1 документ
Документ будет отправлен на указанный Вами e-mail в течение 3 рабочих дней*
Часы работы: с Пн по Пт с 8:30 до 17:30 по московскому времени.
или
Посмотреть возможности крупнейшей электронной библиотеки "Техэксперт" - более 8 000 000 документов!
Подписка на полную версию «Указателя стандартов» через ФГУП «Стандартинформ» стоит 20 000 рублей.
При заказе демонстрации Вы получите доступ к его электронной версии совершенно бесплатно!



