
Вы нашли документ, содержащийся в электронной базе документов - "ТЕХЭКСПЕРТ"!
Радиальные вентиляторы дымоудаления ВР80-70 ДУ
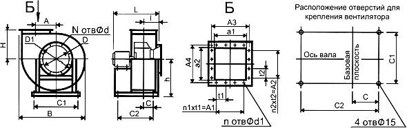
РАДИАЛЬНЫЕ ВЕНТИЛЯТОРЫ ДЫМОУДАЛЕНИЯ ВР80-70 ДУ
Изготавливаются по ТУ 4861-005-52586529-01
800-65000 м/час
Вентиляторы ВР-80-70 ДУ оснащаются радиальными колесами, имеющими загнутые назад лопатки, с непосредственным приводом от общепромышленных трехфазных асинхронных электродвигателей.
Скачать документ нельзя - можно заказать Бесплатно! 1 документ
Документ будет отправлен на указанный Вами e-mail в течение 3 рабочих дней*
Часы работы: с Пн по Пт с 8:30 до 17:30 по московскому времени.
или
Посмотреть возможности крупнейшей электронной библиотеки "Техэксперт" - более 8 000 000 документов!
Подписка на полную версию «Указателя стандартов» через ФГУП «Стандартинформ» стоит 20 000 рублей.
При заказе демонстрации Вы получите доступ к его электронной версии совершенно бесплатно!



