
Вы нашли документ, содержащийся в электронной базе документов - "ТЕХЭКСПЕРТ"!
Технические и эксплуатационные характеристики шпонок типа ТАРАКАН (извлечение из ТР 186-07)
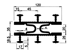
ТЕХНИЧЕСКИЕ И ЭКСПЛУАТАЦИОННЫЕ ХАРАКТЕРИСТИКИ ШПОНОК ТИПА ТАРАКАН
(извлечение из ТР 186-07)
МАТЕРИАЛ: ПВХ-П
ТАРАКАН-120 |
|
ТЕХНИЧЕСКИЕ ХАРАКТЕРИСТИКИ
ТИП |
Перемещение, мм |
Давление воды, МПа | |||
|
|||||
Скачать документ нельзя - можно заказать Бесплатно! 1 документ
Документ будет отправлен на указанный Вами e-mail в течение 3 рабочих дней*
Часы работы: с Пн по Пт с 8:30 до 17:30 по московскому времени.
или
Посмотреть возможности крупнейшей электронной библиотеки "Техэксперт" - более 8 000 000 документов!
Подписка на полную версию «Указателя стандартов» через ФГУП «Стандартинформ» стоит 20 000 рублей.
При заказе демонстрации Вы получите доступ к его электронной версии совершенно бесплатно!




