
Вы нашли документ, содержащийся в электронной базе документов - "ТЕХЭКСПЕРТ"!
Технические и эксплуатационные характеристики шпонок типа ДЗ (извлечение из ТР 186-07)
ТЕХНИЧЕСКИЕ И ЭКСПЛУАТАЦИОННЫЕ ХАРАКТЕРИСТИКИ ШПОНОК ТИПА ДЗ
(извлечение из ТР 186-07)
МАТЕРИАЛ: РЕЗИНА
ДЗ-100/25-4/25 |
ДЗ-130/25-6/25 |
|
|
МАТЕРИАЛ: ПВХ-П
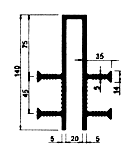
ДЗ-140/20-4/35 |
ДЗ-140/30-4/35 |
ДЗ-140/40-4/35 |
|
Скачать документ нельзя - можно заказать Бесплатно! 1 документ
Документ будет отправлен на указанный Вами e-mail в течение 3 рабочих дней*
Часы работы: с Пн по Пт с 8:30 до 17:30 по московскому времени.
или
Посмотреть возможности крупнейшей электронной библиотеки "Техэксперт" - более 8 000 000 документов!
Подписка на полную версию «Указателя стандартов» через ФГУП «Стандартинформ» стоит 20 000 рублей.
При заказе демонстрации Вы получите доступ к его электронной версии совершенно бесплатно!






