
Вы нашли документ, содержащийся в электронной базе документов - "ТЕХЭКСПЕРТ"!
Гидроизоляционные шпонки АКВАСТОП тип ДЗС (ООО "Аквабарьер")
Гидроизоляционные шпонки АКВАСТОП тип ДЗС (ООО "Аквабарьер")
Область применения: |
Герметизация деформационных швов при строительстве заглубленных и подземных сооружений при сопряжении с существующими конструкциями. |
Материал: |
ПВХ-П |
|
|
|
|
Порядок установки: |
Технологический регламент ТР 186-07. |
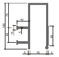
Монтажная схема: |
|
Скачать документ нельзя - можно заказать Бесплатно! 1 документ
Документ будет отправлен на указанный Вами e-mail в течение 3 рабочих дней*
Часы работы: с Пн по Пт с 8:30 до 17:30 по московскому времени.
или
Посмотреть возможности крупнейшей электронной библиотеки "Техэксперт" - более 8 000 000 документов!
Подписка на полную версию «Указателя стандартов» через ФГУП «Стандартинформ» стоит 20 000 рублей.
При заказе демонстрации Вы получите доступ к его электронной версии совершенно бесплатно!



